Магазин запчастей для бытовой техники - Arlos
Москва
close
Выберите ваш регион
АбаканАлександровАльметьевскАнгарскАрзамасАрмавирАртемАрхангельскАстраханьАчинскБалаковоБалашихаБеларусьБелгородБердскБерезникиБийскБлаговещенскБратскБрянскВеликий НовгородВидноеВладивостокВладикавказВладимирВолгоградВолгодонскВолжскийВологдаВолховВоркутаВоронежВоскресенскВыборгГатчинаГеленджикГрозныйДедовскДербентДзержинскДзержинскийДимитровградДмитровДолгопрудныйДомодедовоДонецкЕвпаторияЕгорьевскЕкатеринбургЕлецЕссентукиЖелезногорскЖелезнодорожныйЖуковскийЗеленоградЗлатоустИвановоИвантеевкаИжевскИркутскИстраЙошкар-ОлаКазаньКалининградКалугаКаменск-УральскийКамышинКаспийскКемеровоКерчьКировКисловодскКлинКовровКоломнаКомсомольск-на-АмуреКопейскКоролёвКостромаКотельникиКрасногорскКраснодарКраснознаменскКрасноярскКурганКурскКызылЛенинск-КузнецкийЛипецкЛобняЛыткариноЛюберцыМагнитогорскМайкопМалаховкаМахачкалаМиассМоскваМурманскМуромМытищиНабережные ЧелныНазраньНальчикНаро-ФоминскНахабиноНаходкаНевинномысскНефтекамскНефтеюганскНижневартовскНижнекамскНижний НовгородНижний ТагилНовокузнецкНовокуйбышевскНовомосковскНовороссийскНовосибирскНовоуральскНовочебоксарскНовочеркасскНовошахтинскНовый УренгойНогинскНорильскНоябрьскОбнинскОдинцовоОктябрьскийОмскОрелОренбургОрехово-ЗуевоОрскПавловский ПосадПензаПервоуральскПермьПетрозаводскПетропавловск-КамчатскийПодольскПрокопьевскПсковПушкиноПятигорскРаменскоеРеутовРостов-на-ДонуРубцовскРыбинскРязаньСакиСалаватСамараСанкт-ПетербургСаранскСаратовСевастопольСеверодвинскСеверскСергиев ПосадСерпуховСимферопольСмоленскСосновый БорСочиСтавропольСтарый ОсколСтерлитамакСтупиноСургутСызраньСыктывкарТаганрогТамбовТверьТихвинТольяттиТомилиноТомскТроицкТулаТюменьУлан-УдэУльяновскУссурийскУсть-ИлимскУфаУхтаФеодосияФрязиноХабаровскХанты-МансийскХасавюртХимкиЧебоксарыЧелябинскЧереповецЧеркесскЧеховЧитаШахтыЩелковоЭлектростальЭлистаЭнгельсЮжно-СахалинскЯкутскЯлтаЯрославль
  • - бесплатно по РФ
    Автоперезвон. Работает по принципу: Вы позвонили на номер, мы сбрасываем звонок и перезваниваем через 3 секунды.
  • - по Москве
  • 8 (925) 663-83-63

Call-центр

пн-вс: 10:00-19:00

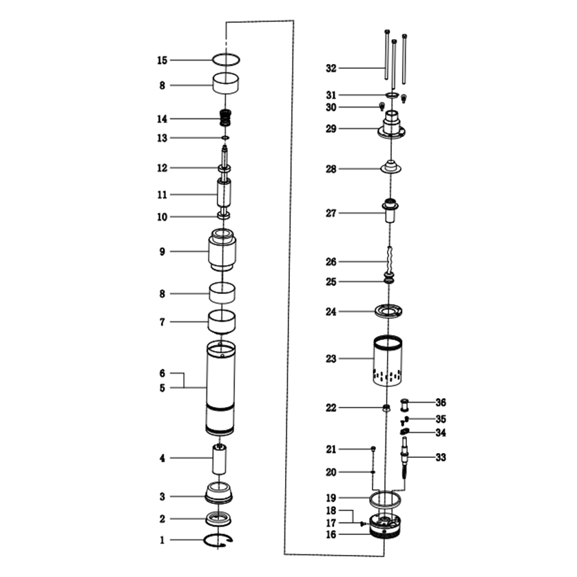
Насос скважинный, винтовой НСВ-75-70

Данная модель имеет несколько схем

NАртикулНазваниеСрок отгрузкиЦенаКупить
1 N000-036-023 Кольцо стопорное
2 N000-036-024 Защита нижняя
3 N000-036-025 Чаша резиновая 480 р.
3.04 U009-600-3RS Подшипник шариковый 6003-2RS (35х17х10) U009-600-3RS для насосов НСВ-75-70, НСЦ-75-40 189 р.
4 V000-007-583 Конденсатор 18мкФ 450В СВВ60 286 р.
5 N000-036-026 Корпус насоса
7 N000-036-027 Фланец нижний
8 N000-036-028 Бумага изоляционная
9_11 N000-041-226 Двигатель АД в сборе с корпусом 4.942 р.
10 U009-620-2RS Подшипник шариковый 6202-2RS (35x15x11) n/n 189 р.
13 N000-036-031 Шайба регулировочная
14 N000-036-032 Сальник керамический в сборе D28xd16.5xН6.5 196 р.
16 N000-036-033 Фланец подшипника
17 N000-036-034 Винт с потайной головкой
18 N000-036-035 Застежка
19 N000-036-036 Кольцо уплотнительное
21 N000-036-037 Винт для смазки с уплотнителем
22 N000-036-038 Втулка керамичесчкая
23 N000-036-039 Сетка
24 N000-036-040 Шайба фиксирующая
25 N000-036-041 Муфта в сборе с винтом (25-27) 1.935 р.
28 N000-036-042 Защита 432 р.
29 N000-036-043 Фланец выходной
31 N000-036-044 Заглушка (в наборе с болтами+рым болт)
33 V000-006-394 Шнур сетевой ZUBR H07RN-F 3х0.5мм2 20м 1.741 р.
34 N000-036-045 Клемма
35 N000-036-046 Винт
36 N000-036-047 Воротник шнура
37 V000-006-949 Термопредохранитель KW-110 8А 189 р.
Найдено товаров: 29
1
▲ Наверх
0
8 (925) 663-83-63

Call-центр

пн-вс: 10:00-19:00

НАЙТИ ПО МОДЕЛИ
Введите номер заказа
Введите номер своего заказа, что бы узнать его текущий статус.
Что бы получить доступ к расширенным функциям, пройдите не сложную регистрацию. Зарегистрироваться