Магазин запчастей для бытовой техники - Arlos
Москва
close
Выберите ваш регион
АбаканАлександровАльметьевскАнгарскАрзамасАрмавирАртемАрхангельскАстраханьАчинскБалаковоБалашихаБеларусьБелгородБердскБерезникиБийскБлаговещенскБратскБрянскВеликий НовгородВидноеВладивостокВладикавказВладимирВолгоградВолгодонскВолжскийВологдаВолховВоркутаВоронежВоскресенскВыборгГатчинаГеленджикГрозныйДедовскДербентДзержинскДзержинскийДимитровградДмитровДолгопрудныйДомодедовоДонецкЕвпаторияЕгорьевскЕкатеринбургЕлецЕссентукиЖелезногорскЖелезнодорожныйЖуковскийЗеленоградЗлатоустИвановоИвантеевкаИжевскИркутскИстраЙошкар-ОлаКазаньКалининградКалугаКаменск-УральскийКамышинКаспийскКемеровоКерчьКировКисловодскКлинКовровКоломнаКомсомольск-на-АмуреКопейскКоролёвКостромаКотельникиКрасногорскКраснодарКраснознаменскКрасноярскКурганКурскКызылЛенинск-КузнецкийЛипецкЛобняЛыткариноЛюберцыМагнитогорскМайкопМалаховкаМахачкалаМиассМоскваМурманскМуромМытищиНабережные ЧелныНазраньНальчикНаро-ФоминскНахабиноНаходкаНевинномысскНефтекамскНефтеюганскНижневартовскНижнекамскНижний НовгородНижний ТагилНовокузнецкНовокуйбышевскНовомосковскНовороссийскНовосибирскНовоуральскНовочебоксарскНовочеркасскНовошахтинскНовый УренгойНогинскНорильскНоябрьскОбнинскОдинцовоОктябрьскийОмскОрелОренбургОрехово-ЗуевоОрскПавловский ПосадПензаПервоуральскПермьПетрозаводскПетропавловск-КамчатскийПодольскПрокопьевскПсковПушкиноПятигорскРаменскоеРеутовРостов-на-ДонуРубцовскРыбинскРязаньСакиСалаватСамараСанкт-ПетербургСаранскСаратовСевастопольСеверодвинскСеверскСергиев ПосадСерпуховСимферопольСмоленскСосновый БорСочиСтавропольСтарый ОсколСтерлитамакСтупиноСургутСызраньСыктывкарТаганрогТамбовТверьТихвинТольяттиТомилиноТомскТроицкТулаТюменьУлан-УдэУльяновскУссурийскУсть-ИлимскУфаУхтаФеодосияФрязиноХабаровскХанты-МансийскХасавюртХимкиЧебоксарыЧелябинскЧереповецЧеркесскЧеховЧитаШахтыЩелковоЭлектростальЭлистаЭнгельсЮжно-СахалинскЯкутскЯлтаЯрославль
  • - бесплатно по РФ
    Автоперезвон. Работает по принципу: Вы позвонили на номер, мы сбрасываем звонок и перезваниваем через 3 секунды.
  • - по Москве
  • 8 (925) 663-83-63

Call-центр

пн-вс: 10:00-19:00

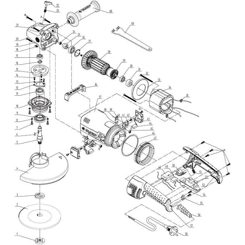
УШМ (Болгарка), 180 мм УШМ-П180-2100 ПВ

Данная модель имеет несколько схем

NАртикулНазваниеСрок отгрузкиЦенаКупить
U353-115-001 Фланец прижимной внешний M14 U353-115-001 для SAG-180-1800, УШМ-П125-1000 100 р.
1.03 U009-629-RS0 Подшипник шариковый 629-2Z (26х9х8) U009-629-RS0 294 р.
1.20 U009-608-RS0 Подшипник шариковый 608-2RS (22х8х7) U009-608-RS0 для пил ЗПС-850 Э, ЗПТ-210-1300-Л 306 р.
2-18 U009-620-0RS Подшипник шариковый 6200-2RS (30x10x9) U009-620-0RS 250 р.
3 U353-001-420 Фланец внутренний D14 Ls17.5 106 р.
3 U353-115-006 Шпонка сегментная 13x5x4 U353-115-006 для ЗДМ-1200Р, УШМ-180-2005 П 114 р.
4 U503-211-004 Кожух диска 577 р.
5 U503-181-005 Шпиндель D24x84 418 р.
6 UM06-001-005 Кольцо разжимное D13 UM06-001-005 для ЗДМ-1200Р, ЗУШМ-230-2100П 92 р.
7 UM01-000-037 Винт M5x19 92 р.
8 UM04-001-003 Шайба-гровер D5 92 р.
9 U503-181-009 Кольцо пылезащитное 189 р.
10 U503-181-010 Крышка корпуса редуктора 577 р.
11 U009-620-200 Подшипник шариковый 6202 открытый (35х15х11) n/n 366 р.
12 U253-235-013 Фиксатор подшипника шпинделя D42xh2,2 92 р.
13 UM04-001-002 Шайба-гровер D4 92 р.
13 U503-211-015 Шестерня ведомая D65 Z41 U503-211-015 для УШМ-П180-2100 ПВ, УШМ-230-2205 П 577 р.
14 UM01-000-018 Винт M4x14 РН2 92 р.
17 U503-140-023 Пружина стопора D9xh13 U503-140-023 для болгарок УШМ-115-800 М3, УШМ-125-950 М3 92 р.
18 N000-019-904 Кольцо стопорное D5
18 U503-181-018-2 Корпус редуктора U503-181-018-2 для УШМ-П180-2100 ПВ, ЗУШМ-230-2100П_z01 902 р.
19 N000-027-415 Корпус редуктора 945 р.
19 U503-181-018 Корпус редуктора 868 р.
22 U503-211-025 Шестерня ведущая D19.4x14 U503-211-025 для AGS-230-2200 S, ЗУШМ-230-2100П_z01 383 р.
22-1 U503-181-021 Кнопка стопора 25х26х11 94 р.
22-2 U503-140-022 Штифт блокировки вала 112 р.
24 UM05-001-008 Гайка М8 автогровер 11 р.
25 N000-027-414 Шестерня ведущая (V2) D19.4x14 Z12 507 р.
27 UM06-002-002 Кольцо стопорное сжимное D34 28 р.
27 U503-211-028 Ротор КД U503-211-028 для ЗШ-П45-2100 ПВТК, ЗУШМ-230-2100П_z01 3.420 р.
29 U503-181-030 Кольцо пылезащитное D29 114 р.
31 U253-235-032 Втулка подшипника 629 резиноваяD30x9 133 р.
33 U503-181-034 Диффузор D87.5х51 85 р.
34 U503-211-034-2 Статор КД 2.527 р.
36 U503-181-037 Накладка резиновая
37 U503-181-038 Корпус двигателя 1.548 р.
38 U503-181-045-W Щетка графитовая (пара) 7х12х19 U503-181-045-W для ЗУШМ-180-1800П_z01, ЗШ-П45-2100 ПВТК 428 р.
40 V000-004-294 Блок плавного 250V~ 50Hz V000-004-294 для ЗИЭ-40-2500, ЗУШМ-180-1800П_z01 477 р.
40 U503-181-041 Щеткодержатель c пружиной 334 р.
41 U503-181-042 Клемма 92 р.
42 UM02-000-018 Саморез 4x12 PH2 92 р.
43 U503-181-044 Крышка щеткодержателя 46 р.
46 U503-181-047 Шайба пластиковая 189 р.
47 U503-181-048 Вставка амортизационная 674 р.
49 U503-181-050 Конденсатор 0,47 M х2 40/085/21C 275V~
50 U503-181-051 Кнопка фиксатора 286 р.
51 U503-181-052 Пружина 189 р.
52 V000-003-265 Выключатель S230B 12(12)A 250V ~ 5E4 499 р.
53 U503-181-054 Ручка правая часть 1.548 р.
54 UM02-000-027 Саморез 4x18 PH2 92 р.
55 U503-181-056 Прижим шнура
56 U098-004-025 Воротник шнура 92 р.
57 U503-181-058 Ручка левая часть 1.548 р.
58 U099-004-008-3 Шнур сетевой Rubber 2x1,5mm2 3m 383 р.
60 U503-210-019 Ручка боковая дополнительная 286 р.
Найдено товаров: 55
1
▲ Наверх
0
8 (925) 663-83-63

Call-центр

пн-вс: 10:00-19:00

НАЙТИ ПО МОДЕЛИ
Введите номер заказа
Введите номер своего заказа, что бы узнать его текущий статус.
Что бы получить доступ к расширенным функциям, пройдите не сложную регистрацию. Зарегистрироваться